1产品介绍
MCG503型电子罗盘采用全国产化器件设计,由三轴磁传感器、三轴加速度计和微处理器等构成,内置方位角解算软件及铁磁校准软件,可实现自主(不依赖于PC)对软/硬磁干扰进行补偿修正,具有较高的姿态测量精度。可以为用户提供维的角度数据:方位角、俯仰角、横滚角。广泛应用于航空、航海、钻井测量、军事等需要定向和导航的领域。
1.1产品指标
★高精度
方位角精度:
0.1°RMS(倾斜≤10°)。
0.2°RMS(倾斜≤45°)。
俯仰/横滚角精度:
0.1°RMS(倾斜≤70°)。
★尺寸
裸板:MCG503—40mm×17mm,高度≦9mm
★简单易用的软/硬磁校准技术
具有自主(不依赖于PC)软/硬磁校准功能。
★根据GPS数据修正真北技术
内置地磁数据库,根据当地的GPS数据信息(经度、维度、高度数据),自动修正当地磁偏角,将磁北指向转化为真北指向。
1.2产品应用
●航海导航测绘 ●GPS 组合导航 ●天线伺服控制 ●火炮发射系统 ●红外成像仪 ●激光测距仪 ●ROV水下机器人导航 ●海洋学堪测仪 ●特殊场合机械人 ●无人飞行器
2 性能参数
2.1 技术指标
MCG503型罗盘技术指标如表所示。
项目 | 指标 | |||
方位角
| 测量范围 | 0°~360° | ||
精度 | 平面校准(|俯仰角|≤10°) | <0.1°(RMS) | ||
三维校准(|俯仰角|≤10°) | <0.1°(RMS) | |||
三维校准(|俯仰角|≤65°) | <0.2°(RMS) | |||
分辨率 | 0.01° | |||
重复性 | 0.05°(RMS) | |||
倾斜角
| 测量范围 | 俯仰角 | -90°~90° | |
横滚角 | -180°~180° | |||
精度
| 俯仰角 | 俯仰角≤70° | <0.1°(RMS) | |
俯仰角≤85° | <0.2°(RMS) | |||
横滚角
| |俯仰角|≤70° | <0.1°(RMS) | ||
|俯仰角|≤85° | <0.2°(RMS) | |||
分辨率 | 0.01° | |||
重复性 | 0.05°(RMS) | |||
磁力计
| 线性测量范围 | ±135uT | ||
分辨率 | 0.01uT | |||
重复性 | ±0.01uT | |||
2.2 电气性能及机械尺寸
MCG503型罗盘电气性能及机械尺寸如表所示。
项目 | 指标 |
供电电压 | DC 3.7V~5.5V |
工作电流 | ≤55mA |
通信接口 | TTL/RS232/可选 |
波特率 | 300~115200(默认 38400) |
工作温度 | -40℃~85℃ |
存储温度 | -55℃~85℃ |
尺寸 | 详见外形尺寸图 |
重量 | ≦13g |
接插件 | 提供对应插头 |
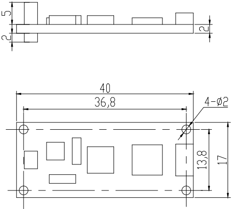
2.3 外形尺寸图及接口定义
MCG503型罗盘外形尺寸如图1所示。
图1 MCG503型罗盘外形尺寸图(单位:mm)
MCG503型罗盘引线接口定义如表所示。
序号 | 引脚定义 | |
TTL | RS232 | |
1 | V+(红) | V+(红) |
2 | TXD(蓝) | TXD(蓝) |
3 | RXD(黄) | RXD(黄) |
4 | GND(黑) | GND(黑) |

微信咨询


电话咨询
武汉 027-83991508
